
- Model: VK-STL
- Mærkningshastighed: 40-60 rør/min.
- Mærkningsnøjagtighed: ± 0,5 mm
- Etiketdiameter (maks.): 350 mm
- Etiketbredde (maks.): 200 mm
- Rørdiameter (maks.): 65 mm
- Rørdiameter (min.): 19 mm
- Rørlængde (Max.): 220mm
- Etikethjuls kernediameter: 76,2 mm
- Effekt: 220V 50Hz 3000W
- Vægt: 300 kg
Denne mærkningsmaskine er hovedsageligt velegnet til kosmetik, individuel sygepleje med profession og så videre mund, mad, kemisk industri rørpakningsrør indsætter skiltet. Den høje nøjagtighed, den redundante pålidelighed og effektiviteten gjorde kunden tilfreds med at indsætte skiltemaskinens anmodning; men vores overlegenhed ligger i det fornuftige design, førende forarbejdningshåndværk og høj præcis montering, fin service efter salg. Dette udstyrs enkelhed af operatør, erstatter formen og etiketten bekvem, nem at rengøre og vedligeholdelsesservice, får brugeren til at bruge omkostningerne til at være lave, er røret klistrer tegnet det ideelle udstyr.
Den yderst effektive tube indsætter skiltearbejdsstationen: Simplex-betjeningen, fodringskontrollen, indsæt skiltet for at modtage materialet; herunder manglende materialeundersøgelse elektrisk øje og automatisk ophængsfunktion.
Hastigheden, præcisionen, stabiliteten, let og brug og så videre fleksibelt med den grad den optimerede kombination.

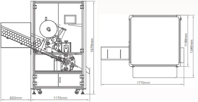
Mærkningsretning og maskintegning



Sæt skiltet til slangen til at designe specielt, afslappet vil være hurtigt gennemsigtige / uigennemsigtige selvklæbende etiketpastaer på røret, er velegnet i mange slags forskellige længder, røret med forskellig diameter klæber skiltet.
Fungerer er stabil, er pålidelig: Garanteret, at hvert blødt rør uploades, når det ikke er beskadiget, indsætter skiltet for at være glat, for at være præcis.
Brug den ikke-polede luftcylinderorganisation: Garanteret, at varer af høj kvalitet er hurtige, orden, pålidelige.
Brug dekollatorernes positioneringsenhed: Garanteret, at røret klistrer skiltlokaliseringen skal være nøjagtig, for at være pålidelig, ikke behøver at vedligeholdes.
Barometrisk tryk undersøgelse type dumping enhed: Efter at garantere pastaer tegnrøret pålidelig ex-denning.

Etiketter arrangeret i fodertragten til mærkning

Mærkningsproces for bløde rør
Automatisk røretiketter bruger siemens PLC touch screen kontrolsystem.
Intelligent Mitsubishi servomærkningssystem
Maskinens reaktion er hurtig med præcis mærkningspositionering i høj hastighed.
Let at betjene og justere.
Rustfri stålkonstruktion.
Støt forskellige rørstørrelser med forskellige pucke.
Maskinspecifikation


| Model | VK-STL |
| Mærkningshastighed | 40-60 rør/min. |
| Mærkningsnøjagtighed | ± 0,5 mm |
| Etiketdiameter (maks. ) | 350 mm |
| Etiketbredde (maks. ) | 200 mm |
| Rørdiameter (maks.) | 65 mm |
| Rørdiameter (min.) | 19 mm |
| Rørlængde (maks.) | 220 mm |
| Etiket hjulets kernediameter | 76,2 mm |
| Magt | 220V 50Hz 3000W |
| Vægt | 300 kg |


Etiketter Prøver




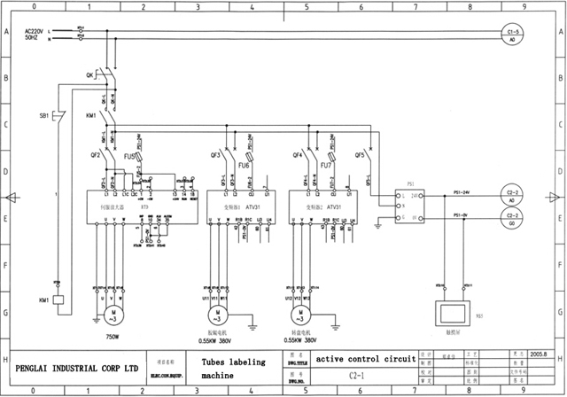
Active Control Circuit til automatisk etikettemaskine
Eftersalgsservice
Garanti: For hele maskinen kræver den 1 års garanti. (Udelukket fra garantien er problemer på grund af uheld, forkert brug, forkert anvendelse, opbevaringsskader, uagtsomhed eller ændring af udstyret eller dets komponenter. Også den let knækkede reservedel er ikke inkluderet i garantien)
Installation: Når maskinen ankommer til din fabrik, hvis du har brug for det, vil vores tekniker gå til dit sted for at installere og teste maskinen og også træne din medarbejder til at betjene maskinen (tidspunktet for tog afhænger af din arbejder). Udgifterne (flybillet, mad, hotel, rejsegebyret i dit land) skal stå på din konto, og du skal betale for teknikeren 150 USD pr. dag. Du kan også gå til vores fabrik for at træne.
Efter service: Hvis du får problemet på maskinen, vil vores tekniker gå til dig for at reparere maskinen så hurtigt som muligt. Prisen skal stå på din konto (som ovenfor).









